Get the job done with the right equipment
Hydraulink provides a ‘matched system’ of hose and fittings, ensuring our products are engineered to work together to exceed international SAE and ISO standards and deliver outstanding application and safety performance. Our matched system provides optimal function, minimises risk and guarantees hose performance and safety for ultimate peace of mind when using Hydraulink as your supplier.
Hydraulink’s quality product is available in a complete range of braided and multispiral hydraulic hoses - for low to ultra high pressure applications. Our hose range includes speciality products for high abrasion, tight bend radius and high temperature applications.
The other integral part of the guaranteed matched system is Hydraulink’s fittings range which are manufactured to SAE and ISO standards - using premium steel stock sourced from European steel mills. Our comprehensive range of fittings is industry leading with over 5,000 product lines.
To compliment our product range, we also offer an assortment of accessories including Adaptors, Quick Release Couplers, Tube Clamps, Ball Valves, Assembly Equipment and Premium Hydraulic Oils.
- Product Catalogue
- Safety Data Sheets
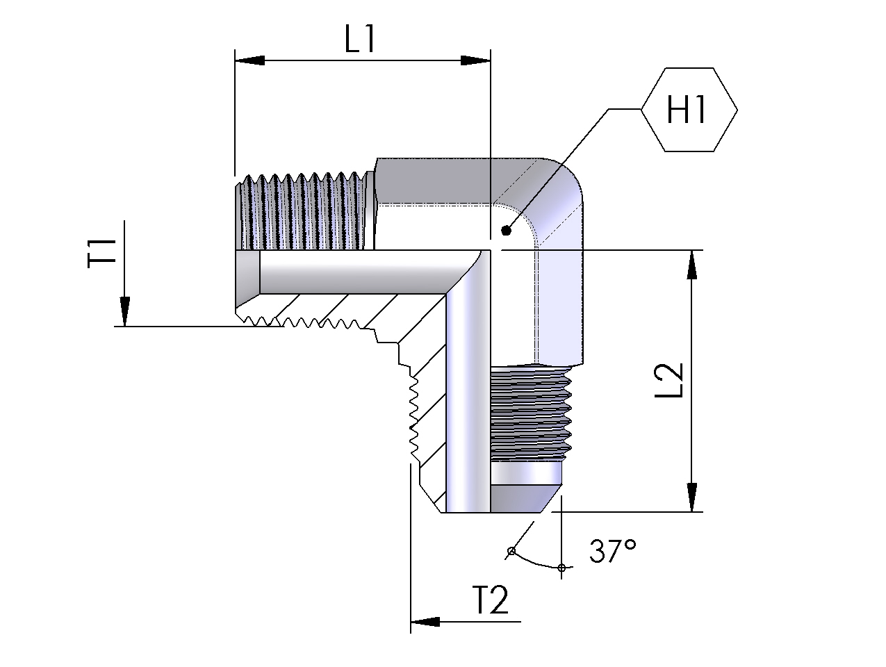
90 DEGREE ADAPTORS
BSPT MALE X JIC MALE
90 DEGREE ADAPTORS
BSPT MALE X JIC MALE

Product Data
A-G-90-0207
T1
1/8-28
T2
7/16-20
H1 (mm)
14
L1 (mm)
20
L2 (mm)
24
PN (bar)
345
A-G-90-0208
T1
1/8-28
T2
1/2-20
H1 (mm)
14
L1 (mm)
20
L2 (mm)
24
PN (bar)
345
A-G-90-0209
T1
1/8-28
T2
9/16-18
H1 (mm)
14
L1 (mm)
20
L2 (mm)
26
PN (bar)
345
A-G-90-0407
T1
1/4-19
T2
7/16-20
H1 (mm)
14
L1 (mm)
25
L2 (mm)
24
PN (bar)
275
A-G-90-0408
T1
1/4-19
T2
1/2-20
H1 (mm)
14
L1 (mm)
25
L2 (mm)
24
PN (bar)
275
A-G-90-0409
T1
1/4-19
T2
9/16-18
H1 (mm)
14
L1 (mm)
25
L2 (mm)
26
PN (bar)
275
A-G-90-0412
T1
1/4-19
T2
3/4-16
H1 (mm)
19
L1 (mm)
28
L2 (mm)
32
PN (bar)
275
A-G-90-0607
T1
3/8-19
T2
7/16-20
H1 (mm)
19
L1 (mm)
31
L2 (mm)
29
PN (bar)
210
A-G-90-0609
T1
3/8-19
T2
9/16-18
H1 (mm)
19
L1 (mm)
31
L2 (mm)
29
PN (bar)
210
A-G-90-0612
T1
3/8-19
T2
3/4-16
H1 (mm)
19
L1 (mm)
31
L2 (mm)
32
PN (bar)
210
A-G-90-0614
T1
3/8-19
T2
7/8-14
H1 (mm)
22
L1 (mm)
30
L2 (mm)
36
PN (bar)
210
A-G-90-0807
T1
1/2-14
T2
7/16-20
H1 (mm)
22
L1 (mm)
35
L2 (mm)
31
PN (bar)
210
A-G-90-0809
T1
1/2-14
T2
9/16-18
H1 (mm)
22
L1 (mm)
35
L2 (mm)
31
PN (bar)
210
A-G-90-0812
T1
1/2-14
T2
3/4-16
H1 (mm)
22
L1 (mm)
35
L2 (mm)
34
PN (bar)
210
A-G-90-0814
T1
1/2-14
T2
7/8-14
H1 (mm)
22
L1 (mm)
35
L2 (mm)
36
PN (bar)
210
A-G-90-0817
T1
1/2-14
T2
1.1/16-12
H1 (mm)
27
L1 (mm)
40
L2 (mm)
42
PN (bar)
210
A-G-90-1209
T1
3/4-14
T2
9/16-18
H1 (mm)
43.5
L1 (mm)
34.8
L2 (mm)
27
PN (bar)
170
A-G-90-1212
T1
3/4-14
T2
3/4-16
H1 (mm)
27
L1 (mm)
40
L2 (mm)
36
PN (bar)
170
A-G-90-1214
T1
3/4-14
T2
7/8-14
H1 (mm)
27
L1 (mm)
40
L2 (mm)
39
PN (bar)
170
A-G-90-1217
T1
3/4-14
T2
1.1/16-12
H1 (mm)
27
L1 (mm)
40
L2 (mm)
42
PN (bar)
170
A-G-90-1221
T1
3/4-14
T2
1.5/16-12
H1 (mm)
35
L1 (mm)
43
L2 (mm)
47
PN (bar)
170
A-G-90-1617
T1
1-11
T2
1.1/16-12
H1 (mm)
35
L1 (mm)
48
L2 (mm)
46
PN (bar)
140
A-G-90-1621
T1
1-11
T2
1.5/16-12
H1 (mm)
35
L1 (mm)
48
L2 (mm)
47
PN (bar)
140
A-G-90-1626
T1
1-11
T2
1.5/8-12
H1 (mm)
41
L1 (mm)
54
L2 (mm)
53
PN (bar)
140
A-G-90-2017
T1
1.1/4-11
T2
1.1/16-12
H1 (mm)
41
L1 (mm)
55
L2 (mm)
51
PN (bar)
80
A-G-90-2021
T1
1.1/4-11
T2
1.5/16-12
H1 (mm)
41
L1 (mm)
55
L2 (mm)
53
PN (bar)
80
A-G-90-2026
T1
1.1/4-11
T2
1.5/8-12
H1 (mm)
41
L1 (mm)
55
L2 (mm)
53
PN (bar)
80
A-G-90-2426
T1
1.1/2-11
T2
1.5/8-12
H1 (mm)
60
L1 (mm)
65
L2 (mm)
59
PN (bar)
70
A-G-90-2430
T1
1.1/2-11
T2
1.7/8-12
H1 (mm)
50
L1 (mm)
60
L2 (mm)
59
PN (bar)
70
A-G-90-3240
T1
2-11
T2
2.1/2-12
H1 (mm)
63
L1 (mm)
75
L2 (mm)
67
PN (bar)
70
INTRODUCING NEW ENDURO SPIRAL HOSE
ENDURO spiral is an extremely flexible slim profile hose featuring our very high wear and abrasion resistant SuperTuff (ST) MSHA cover for increased protection against abrasion in severe operating environments.