Get the job done with the right equipment
Hydraulink provides a ‘matched system’ of hose and fittings, ensuring our products are engineered to work together to exceed international SAE and ISO standards and deliver outstanding application and safety performance. Our matched system provides optimal function, minimises risk and guarantees hose performance and safety for ultimate peace of mind when using Hydraulink as your supplier.
Hydraulink’s quality product is available in a complete range of braided and multispiral hydraulic hoses - for low to ultra high pressure applications. Our hose range includes speciality products for high abrasion, tight bend radius and high temperature applications.
The other integral part of the guaranteed matched system is Hydraulink’s fittings range which are manufactured to SAE and ISO standards - using premium steel stock sourced from European steel mills. Our comprehensive range of fittings is industry leading with over 5,000 product lines.
To compliment our product range, we also offer an assortment of accessories including Adaptors, Quick Release Couplers, Tube Clamps, Ball Valves, Assembly Equipment and Premium Hydraulic Oils.
- Product Catalogue
- Safety Data Sheets
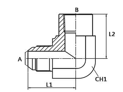
90 DEGREE ADAPTORS
MALE JIC X NPT FEMALE SOCKET 90°
90 DEGREE ADAPTORS
MALE JIC X NPT FEMALE SOCKET 90°

90 DEGREE ADAPTORS
MALE JIC X NPT FEMALE SOCKET 90°
JIC MALE X NPTF FEMALE FIXED 90° ELBOW
Product Data
G-AC-90-0904
JIC Male Thread (A)
9/16-18
NPTF Female Thread (B)
1/4-18
L1 (mm)
31.2
L2 (mm)
22.4
Hex A/F - CH1 (mm)
19.1
PN (bar)
275
G-AC-90-0906
JIC Male Thread (A)
9/16-18
NPTF Female Thread (B)
3/8-18
L1 (mm)
33.3
L2 (mm)
25.9
Hex A/F - CH1 (mm)
22.2
PN (bar)
210
G-AC-90-0908
JIC Male Thread (A)
9/16-18
NPTF Female Thread (B)
1/2-14
L1 (mm)
35.8
L2 (mm)
31.2
Hex A/F - CH1 (mm)
27
PN (bar)
210
G-AC-90-1204
JIC Male Thread (A)
3/4-16
NPTF Female Thread (B)
1/4-18
L1 (mm)
36.1
L2 (mm)
25.9
Hex A/F - CH1 (mm)
22.2
PN (bar)
275
G-AC-90-1206
JIC Male Thread (A)
3/4-16
NPTF Female Thread (B)
3/8-18
L1 (mm)
36.1
L2 (mm)
25.9
Hex A/F - CH1 (mm)
22.2
PN (bar)
210
G-AC-90-1208
JIC Male Thread (A)
3/4-16
NPTF Female Thread (B)
1/2-14
L1 (mm)
38.6
L2 (mm)
31.2
Hex A/F - CH1 (mm)
27
PN (bar)
210
G-AC-90-1212
JIC Male Thread (A)
3/4-16
NPTF Female Thread (B)
3/4-14
L1 (mm)
42.4
L2 (mm)
34.5
Hex A/F - CH1 (mm)
34.9
PN (bar)
170
G-AC-90-1406
JIC Male Thread (A)
7/8-14
NPTF Female Thread (B)
3/8-18
L1 (mm)
38.6
L2 (mm)
25.7
Hex A/F - CH1 (mm)
25.4
PN (bar)
210
G-AC-90-1408
JIC Male Thread (A)
7/8-14
NPTF Female Thread (B)
1/2-14
L1 (mm)
41.7
L2 (mm)
31.2
Hex A/F - CH1 (mm)
27
PN (bar)
210
INTRODUCING NEW ENDURO SPIRAL HOSE
ENDURO spiral is an extremely flexible slim profile hose featuring our very high wear and abrasion resistant SuperTuff (ST) MSHA cover for increased protection against abrasion in severe operating environments.