Get the job done with the right equipment
Hydraulink provides a ‘matched system’ of hose and fittings, ensuring our products are engineered to work together to exceed international SAE and ISO standards and deliver outstanding application and safety performance. Our matched system provides optimal function, minimises risk and guarantees hose performance and safety for ultimate peace of mind when using Hydraulink as your supplier.
Hydraulink’s quality product is available in a complete range of braided and multispiral hydraulic hoses - for low to ultra high pressure applications. Our hose range includes speciality products for high abrasion, tight bend radius and high temperature applications.
The other integral part of the guaranteed matched system is Hydraulink’s fittings range which are manufactured to SAE and ISO standards - using premium steel stock sourced from European steel mills. Our comprehensive range of fittings is industry leading with over 5,000 product lines.
To compliment our product range, we also offer an assortment of accessories including Adaptors, Quick Release Couplers, Tube Clamps, Ball Valves, Assembly Equipment and Premium Hydraulic Oils.
- Product Catalogue
- Safety Data Sheets
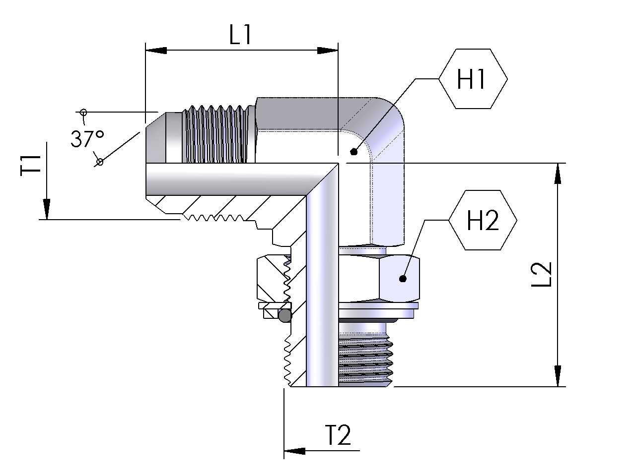
90 DEGREE ADAPTORS
JIC MALE X BSP ADJUSTABLE
90 DEGREE ADAPTORS
JIC MALE X BSP ADJUSTABLE

90 DEGREE ADAPTORS
JIC MALE X BSP ADJUSTABLE
JIC 37° FLARE MALE X BSP ADJUSTABLE STUD 90° ELBOW
Product Data
G-BP-90-0702
T1
7/16-20
T2
1/8-28
H1 (mm)
14
H2 (mm)
14
L1 (mm)
24
L2 (mm)
27
PN (bar)
200
G-BP-90-0704
T1
7/16-20
T2
1/4-19
H1 (mm)
14
H2 (mm)
19
L1 (mm)
27
L2 (mm)
32
PN (bar)
200
G-BP-90-0706
T1
7/16-20
T2
3/8-19
H1 (mm)
19
H2 (mm)
22
L1 (mm)
29
L2 (mm)
37
PN (bar)
200
G-BP-90-0708
T1
7/16-20
T2
1/2-14
H1 (mm)
22
H2 (mm)
27
L1 (mm)
31
L2 (mm)
43
PN (bar)
200
G-BP-90-0902
T1
9/16-18
T2
1/8-28
H1 (mm)
14
H2 (mm)
19
L1 (mm)
27
L2 (mm)
32
PN (bar)
200
G-BP-90-0904
T1
9/16-18
T2
1/4-19
H1 (mm)
14
H2 (mm)
19
L1 (mm)
27
L2 (mm)
32
PN (bar)
200
G-BP-90-0906
T1
9/16-18
T2
3/8-19
H1 (mm)
19
H2 (mm)
22
L1 (mm)
29
L2 (mm)
37
PN (bar)
200
G-BP-90-0908
T1
9/16-18
T2
1/2-14
H1 (mm)
22
H2 (mm)
27
L1 (mm)
31
L2 (mm)
43
PN (bar)
200
G-BP-90-1204
T1
3/4-16
T2
1/4-19
H1 (mm)
19
H2 (mm)
22
L1 (mm)
27
L2 (mm)
32
PN (bar)
200
G-BP-90-1206
T1
3/4-16
T2
3/8-19
H1 (mm)
19
H2 (mm)
22
L1 (mm)
32
L2 (mm)
37
PN (bar)
200
G-BP-90-1208
T1
3/4-16
T2
1/2-14
H1 (mm)
22
H2 (mm)
27
L1 (mm)
34
L2 (mm)
43
PN (bar)
200
G-BP-90-1212
T1
3/4-16
T2
3/4-14
H1 (mm)
27
H2 (mm)
36
L1 (mm)
36
L2 (mm)
49
PN (bar)
200
G-BP-90-1406
T1
7/8-14
T2
3/8-19
H1 (mm)
22
H2 (mm)
22
L1 (mm)
37
L2 (mm)
38
PN (bar)
200
G-BP-90-1408
T1
7/8-14
T2
1/2-14
H1 (mm)
22
H2 (mm)
27
L1 (mm)
37
L2 (mm)
43
PN (bar)
200
G-BP-90-1412
T1
7/8-14
T2
3/4-14
H1 (mm)
27
H2 (mm)
36
L1 (mm)
39
L2 (mm)
50
PN (bar)
200
G-BP-90-1708
T1
1.1/16-12
T2
1/2-14
H1 (mm)
27
H2 (mm)
27
L1 (mm)
41
L2 (mm)
47
PN (bar)
200
G-BP-90-1712
T1
1.1/16-12
T2
3/4-14
H1 (mm)
27
H2 (mm)
36
L1 (mm)
41
L2 (mm)
50
PN (bar)
200
G-BP-90-1716
T1
1.1/6-12
T2
1-11
H1 (mm)
35
H2 (mm)
41
L1 (mm)
46
L2 (mm)
52
PN (bar)
200
G-BP-90-2112
T1
1.5/16-12
T2
3/4-14
H1 (mm)
33
H2 (mm)
36
L1 (mm)
46
L2 (mm)
50
PN (bar)
200
G-BP-90-2116
T1
1.5/6-12
T2
1-11
H1 (mm)
35
H2 (mm)
41
L1 (mm)
47
L2 (mm)
52
PN (bar)
200
G-BP-90-2120
T1
1.5/16-12
T2
1.1/4-11
H1 (mm)
41
H2 (mm)
50
L1 (mm)
53
L2 (mm)
58
PN (bar)
160
G-BP-90-2124
T1
1.5/16-12
T2
1.1/2-11
H1 (mm)
52
H2 (mm)
62.1
L1 (mm)
47
L2 (mm)
54.8
PN (bar)
160
G-BP-90-2616
T1
1.5/8-12
T2
1-11
H1 (mm)
41
H2 (mm)
41
L1 (mm)
53
L2 (mm)
58
PN (bar)
170
G-BP-90-2620
T1
1.5/8-12
T2
1.1/4-11
H1 (mm)
41
H2 (mm)
50
L1 (mm)
53
L2 (mm)
58
PN (bar)
160
G-BP-90-2624
T1
1.5/8-12
T2
1.1/2-11
H1 (mm)
51.4
H2 (mm)
61.1
L1 (mm)
47
L2 (mm)
54.8
PN (bar)
160
G-BP-90-3020
T1
1.7/8-12
T2
1.1/4-11
H1 (mm)
48
H2 (mm)
50
L1 (mm)
63
L2 (mm)
63
PN (bar)
140
G-BP-90-3024
T1
1.7/8-12
T2
1.1/2-11
H1 (mm)
48
H2 (mm)
55
L1 (mm)
59
L2 (mm)
60
PN (bar)
140
INTRODUCING NEW ENDURO SPIRAL HOSE
ENDURO spiral is an extremely flexible slim profile hose featuring our very high wear and abrasion resistant SuperTuff (ST) MSHA cover for increased protection against abrasion in severe operating environments.