Get the job done with the right equipment
Hydraulink provides a ‘matched system’ of hose and fittings, ensuring our products are engineered to work together to exceed international SAE and ISO standards and deliver outstanding application and safety performance. Our matched system provides optimal function, minimises risk and guarantees hose performance and safety for ultimate peace of mind when using Hydraulink as your supplier.
Hydraulink’s quality product is available in a complete range of braided and multispiral hydraulic hoses - for low to ultra high pressure applications. Our hose range includes speciality products for high abrasion, tight bend radius and high temperature applications.
The other integral part of the guaranteed matched system is Hydraulink’s fittings range which are manufactured to SAE and ISO standards - using premium steel stock sourced from European steel mills. Our comprehensive range of fittings is industry leading with over 5,000 product lines.
To compliment our product range, we also offer an assortment of accessories including Adaptors, Quick Release Couplers, Tube Clamps, Ball Valves, Assembly Equipment and Premium Hydraulic Oils.
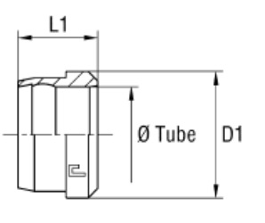
NUTS AND CUTTING RINGS
MET TUBE CUTTING RING
NUTS AND CUTTING RINGS
MET TUBE CUTTING RING

Product Data
TCM-6LL
Suits Light DIN Metric Male
M10-1
Suits Heavy DIN Metric Male
Suits Tube Diameter (mm)
6
L1 (mm)
6
D1 (mm)
8
TCM-6L/S
Suits Light DIN Metric Male
M12-1.5
Suits Heavy DIN Metric Male
M14-1.5
Suits Tube Diameter (mm)
6
L1 (mm)
10
D1 (mm)
10
TCM-8L/S
Suits Light DIN Metric Male
M14-1.5
Suits Heavy DIN Metric Male
M16-1.5
Suits Tube Diameter (mm)
8
L1 (mm)
9.5
D1 (mm)
12
TCM-10L/S
Suits Light DIN Metric Male
M16-1.5
Suits Heavy DIN Metric Male
M18-1.5
Suits Tube Diameter (mm)
10
L1 (mm)
10
D1 (mm)
14
TCM-12L/S
Suits Light DIN Metric Male
M18-1.5
Suits Heavy DIN Metric Male
M20-1.5
Suits Tube Diameter (mm)
12
L1 (mm)
10
D1 (mm)
16
TCM-15L
Suits Light DIN Metric Male
M22-1.5
Suits Heavy DIN Metric Male
Suits Tube Diameter (mm)
15
L1 (mm)
10
D1 (mm)
19
TCM-18L
Suits Light DIN Metric Male
M26-1.5
Suits Heavy DIN Metric Male
Suits Tube Diameter (mm)
18
L1 (mm)
10
D1 (mm)
23
TCM-22L
Suits Light DIN Metric Male
M30-2
Suits Heavy DIN Metric Male
Suits Tube Diameter (mm)
22
L1 (mm)
11
D1 (mm)
27
TCM-28L
Suits Light DIN Metric Male
M36-2
Suits Heavy DIN Metric Male
Suits Tube Diameter (mm)
28
L1 (mm)
11
D1 (mm)
33
TCM-35L
Suits Light DIN Metric Male
M45-2
Suits Heavy DIN Metric Male
Suits Tube Diameter (mm)
35
L1 (mm)
13
D1 (mm)
41
TCM-42L
Suits Light DIN Metric Male
M52-2
Suits Heavy DIN Metric Male
Suits Tube Diameter (mm)
42
L1 (mm)
13
D1 (mm)
48
TCM-14S
Suits Light DIN Metric Male
Suits Heavy DIN Metric Male
M22-1.5
Suits Tube Diameter (mm)
14
L1 (mm)
10
D1 (mm)
19
TCM-16S
Suits Light DIN Metric Male
Suits Heavy DIN Metric Male
M24-1.5
Suits Tube Diameter (mm)
16
L1 (mm)
11
D1 (mm)
21
TCM-20S
Suits Light DIN Metric Male
Suits Heavy DIN Metric Male
M30-2.0
Suits Tube Diameter (mm)
20
L1 (mm)
12
D1 (mm)
26
TCM-25S
Suits Light DIN Metric Male
Suits Heavy DIN Metric Male
M36-2.0
Suits Tube Diameter (mm)
25
L1 (mm)
12
D1 (mm)
32
TCM-30S
Suits Light DIN Metric Male
Suits Heavy DIN Metric Male
M42-2.0
Suits Tube Diameter (mm)
30
L1 (mm)
13
D1 (mm)
36
TCM-38S
Suits Light DIN Metric Male
Suits Heavy DIN Metric Male
M52-2.0
Suits Tube Diameter (mm)
38
L1 (mm)
13
D1 (mm)
44
INTRODUCING NEW ENDURO SPIRAL HOSE
ENDURO spiral is an extremely flexible slim profile hose featuring our very high wear and abrasion resistant SuperTuff (ST) MSHA cover for increased protection against abrasion in severe operating environments.