Get the job done with the right equipment
Hydraulink provides a ‘matched system’ of hose and fittings, ensuring our products are engineered to work together to exceed international SAE and ISO standards and deliver outstanding application and safety performance. Our matched system provides optimal function, minimises risk and guarantees hose performance and safety for ultimate peace of mind when using Hydraulink as your supplier.
Hydraulink’s quality product is available in a complete range of braided and multispiral hydraulic hoses - for low to ultra high pressure applications. Our hose range includes speciality products for high abrasion, tight bend radius and high temperature applications.
The other integral part of the guaranteed matched system is Hydraulink’s fittings range which are manufactured to SAE and ISO standards - using premium steel stock sourced from European steel mills. Our comprehensive range of fittings is industry leading with over 5,000 product lines.
To compliment our product range, we also offer an assortment of accessories including Adaptors, Quick Release Couplers, Tube Clamps, Ball Valves, Assembly Equipment and Premium Hydraulic Oils.
- Product Catalogue
- Safety Data Sheets
STRAIGHT ADAPTORS
BSP FEMALE X MET HEAVY MALE
STRAIGHT ADAPTORS
BSP FEMALE X MET HEAVY MALE

STRAIGHT ADAPTORS
BSP FEMALE X MET HEAVY MALE
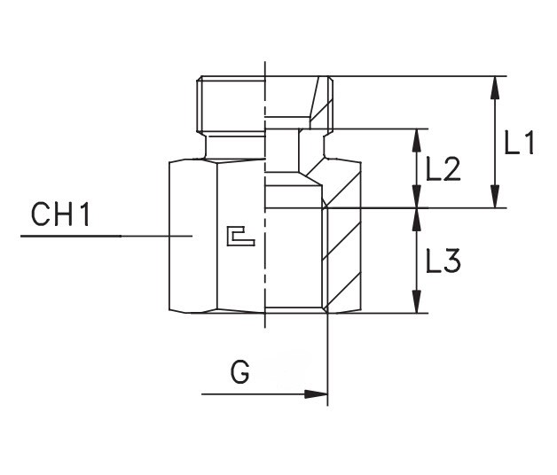
BSP SOLID FEMALE X METRIC 24° CONE HEAVY MALE STRAIGHT
Product Data
F-MS-0414
BSPP Male Thread - G
1/4-19
Metric Male Thread
M14-1.5
Suits Tube Diameter (mm)
6
L1 (mm)
19
L2 (mm) - mm
12
L3 (mm) - mm
14
CH1 (mm)
19
PN (bar)
400
F-MS-0416
BSPP Male Thread - G
1/4-19
Metric Male Thread
M16-1.5
Suits Tube Diameter (mm)
8
L1 (mm)
19
L2 (mm) - mm
12
L3 (mm) - mm
14
CH1 (mm)
19
PN (bar)
400
F-MS-0618
BSPP Male Thread - G
3/8-19
Metric Male Thread
M18-1.5
Suits Tube Diameter (mm)
10
L1 (mm)
20
L2 (mm) - mm
12.5
L3 (mm) - mm
14
CH1 (mm)
24
PN (bar)
400
F-MS-0620
BSPP Male Thread - G
3/8-19
Metric Male Thread
M20-1.5
Suits Tube Diameter (mm)
12
L1 (mm)
20
L2 (mm) - mm
13
L3 (mm) - mm
14
CH1 (mm)
24
PN (bar)
400
F-MS-0822
BSPP Male Thread - G
1/2-14
Metric Male Thread
M22-1.5
Suits Tube Diameter (mm)
14
L1 (mm)
23
L2 (mm) - mm
15
L3 (mm) - mm
17
CH1 (mm)
30
PN (bar)
400
F-MS-0824
BSPP Male Thread - G
1/2-14
Metric Male Thread
M24-1.5
Suits Tube Diameter (mm)
16
L1 (mm)
23
L2 (mm) - mm
15
L3 (mm) - mm
17
CH1 (mm)
30
PN (bar)
400
F-MS-1230
BSPP Male Thread - G
3/4-12
Metric Male Thread
M30-2
Suits Tube Diameter (mm)
20
L1 (mm)
26
L2 (mm) - mm
16
L3 (mm) - mm
19
CH1 (mm)
36
PN (bar)
315
F-MS-1636
BSPP Male Thread - G
1-11
Metric Male Thread
M36-2
Suits Tube Diameter (mm)
25
L1 (mm)
27.5
L2 (mm) - mm
16
L3 (mm) - mm
21.5
CH1 (mm)
41
PN (bar)
315
F-MS-2042
BSPP Male Thread - G
1.1/4-11
Metric Male Thread
M42-2
Suits Tube Diameter (mm)
30
L1 (mm)
32.5
L2 (mm) - mm
19
L3 (mm) - mm
23.5
CH1 (mm)
55
PN (bar)
315
F-MS-2452
BSPP Male Thread - G
1.1/2-11
Metric Male Thread
M52-2
Suits Tube Diameter (mm)
38
L1 (mm)
34.5
L2 (mm) - mm
19
L3 (mm) - mm
25.5
CH1 (mm)
60
PN (bar)
250
INTRODUCING NEW ENDURO SPIRAL HOSE
ENDURO spiral is an extremely flexible slim profile hose featuring our very high wear and abrasion resistant SuperTuff (ST) MSHA cover for increased protection against abrasion in severe operating environments.