Get the job done with the right equipment
Hydraulink provides a ‘matched system’ of hose and fittings, ensuring our products are engineered to work together to exceed international SAE and ISO standards and deliver outstanding application and safety performance. Our matched system provides optimal function, minimises risk and guarantees hose performance and safety for ultimate peace of mind when using Hydraulink as your supplier.
Hydraulink’s quality product is available in a complete range of braided and multispiral hydraulic hoses - for low to ultra high pressure applications. Our hose range includes speciality products for high abrasion, tight bend radius and high temperature applications.
The other integral part of the guaranteed matched system is Hydraulink’s fittings range which are manufactured to SAE and ISO standards - using premium steel stock sourced from European steel mills. Our comprehensive range of fittings is industry leading with over 5,000 product lines.
To compliment our product range, we also offer an assortment of accessories including Adaptors, Quick Release Couplers, Tube Clamps, Ball Valves, Assembly Equipment and Premium Hydraulic Oils.
- Product Catalogue
- Safety Data Sheets
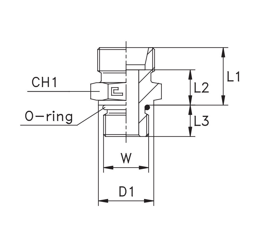
STRAIGHT ADAPTORS
UNO MALE X METRIC HEAVY MALE
STRAIGHT ADAPTORS
UNO MALE X METRIC HEAVY MALE

STRAIGHT ADAPTORS
UNO MALE X METRIC HEAVY MALE
UNO FIXED STUD X METRIC 24° CONE HEAVY MALE STRAIGHT
Product Data
N-MS-0714
UNO Male Thread - W
7/16-20
Metric Male Thread
M14-1.5
Suits Tube Diameter (mm)
6
D1 (mm)
L1 (mm)
L2 (mm) - mm
L3 (mm) - mm
CH1 (mm)
PN (bar)
630
N-MS-0716
UNO Male Thread - W
7/16-20
Metric Male Thread
M16-1.5
Suits Tube Diameter (mm)
8
D1 (mm)
13.8
L1 (mm)
21.9
L2 (mm) - mm
14.9
L3 (mm) - mm
9.1
CH1 (mm)
17
PN (bar)
630
N-MS-0914
UNO Male Thread - W
9/16-18
Metric Male Thread
M14-1.5
Suits Tube Diameter (mm)
6
D1 (mm)
L1 (mm)
L2 (mm) - mm
L3 (mm) - mm
CH1 (mm)
PN (bar)
630
N-MS-0916
UNO Male Thread - W
9/16-18
Metric Male Thread
M16-1.5
Suits Tube Diameter (mm)
8
D1 (mm)
L1 (mm)
L2 (mm) - mm
L3 (mm) - mm
CH1 (mm)
PN (bar)
630
N-MS-0918
UNO Male Thread - W
9/16-18
Metric Male Thread
M18-1.5
Suits Tube Diameter (mm)
10
D1 (mm)
18.8
L1 (mm)
22
L2 (mm) - mm
14.5
L3 (mm) - mm
10
CH1 (mm)
19
PN (bar)
630
N-MS-1220
UNO Male Thread - W
3/4-16
Metric Male Thread
M20-1.5
Suits Tube Diameter (mm)
12
D1 (mm)
21.8
L1 (mm)
24.9
L2 (mm) - mm
17.4
L3 (mm) - mm
11.1
CH1 (mm)
22
PN (bar)
630
N-MS-1222
UNO Male Thread - W
3/4-16
Metric Male Thread
M22-1.5
Suits Tube Diameter (mm)
14
D1 (mm)
21.8
L1 (mm)
23.9
L2 (mm) - mm
15.9
L3 (mm) - mm
11.1
CH1 (mm)
24
PN (bar)
630
N-MS-1224
UNO Male Thread - W
3/4-16
Metric Male Thread
M24-1.5
Suits Tube Diameter (mm)
16
D1 (mm)
21.8
L1 (mm)
23.9
L2 (mm) - mm
15.4
L3 (mm) - mm
11.1
CH1 (mm)
27
PN (bar)
400
N-MS-1424
UNO Male Thread - W
7/8-14
Metric Male Thread
M24-1.5
Suits Tube Diameter (mm)
16
D1 (mm)
26.8
L1 (mm)
27.3
L2 (mm) - mm
18.8
L3 (mm) - mm
12.7
CH1 (mm)
27
PN (bar)
400
N-MS-1430
UNO Male Thread - W
7/8-14
Metric Male Thread
M30-2
Suits Tube Diameter (mm)
20
D1 (mm)
26.8
L1 (mm)
31.3
L2 (mm) - mm
20.8
L3 (mm) - mm
12.7
CH1 (mm)
32
PN (bar)
400
N-MS-1730
UNO Male Thread - W
1.1/16-12
Metric Male Thread
M30-2
Suits Tube Diameter (mm)
20
D1 (mm)
31.8
L1 (mm)
30.9
L2 (mm) - mm
20.4
L3 (mm) - mm
15.1
CH1 (mm)
32
PN (bar)
400
N-MS-2136
UNO Male Thread - W
1.5/16-12
Metric Male Thread
M36-2
Suits Tube Diameter (mm)
25
D1 (mm)
40.8
L1 (mm)
34.9
L2 (mm) - mm
22.9
L3 (mm) - mm
15.1
CH1 (mm)
41
PN (bar)
400
N-MS-2642
UNO Male Thread - W
1.5/8-12
Metric Male Thread
M42-2
Suits Tube Diameter (mm)
30
D1 (mm)
49.8
L1 (mm)
36.9
L2 (mm) - mm
23.4
L3 (mm) - mm
15.1
CH1 (mm)
50
PN (bar)
400
INTRODUCING NEW ENDURO SPIRAL HOSE
ENDURO spiral is an extremely flexible slim profile hose featuring our very high wear and abrasion resistant SuperTuff (ST) MSHA cover for increased protection against abrasion in severe operating environments.