Get the job done with the right equipment
Hydraulink provides a ‘matched system’ of hose and fittings, ensuring our products are engineered to work together to exceed international SAE and ISO standards and deliver outstanding application and safety performance. Our matched system provides optimal function, minimises risk and guarantees hose performance and safety for ultimate peace of mind when using Hydraulink as your supplier.
Hydraulink’s quality product is available in a complete range of braided and multispiral hydraulic hoses - for low to ultra high pressure applications. Our hose range includes speciality products for high abrasion, tight bend radius and high temperature applications.
The other integral part of the guaranteed matched system is Hydraulink’s fittings range which are manufactured to SAE and ISO standards - using premium steel stock sourced from European steel mills. Our comprehensive range of fittings is industry leading with over 5,000 product lines.
To compliment our product range, we also offer an assortment of accessories including Adaptors, Quick Release Couplers, Tube Clamps, Ball Valves, Assembly Equipment and Premium Hydraulic Oils.
- Product Catalogue
- Safety Data Sheets
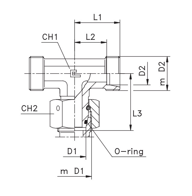
TEE ADAPTORS
MET HEAVY MALE X MET HEAVY F/M
TEE ADAPTORS
MET HEAVY MALE X MET HEAVY F/M

TEE ADAPTORS
MET HEAVY MALE X MET HEAVY F/M
METRIC 24° CONE HEAVY MALE X METRIC 24° CONE HEAVY FEMALE SWIVEL NUT BRANCH TEE
Product Data
MS-MS-US-141414
Metric Male Thread
M14-1.5
Metric Female Thread
M14-1.5
Suits Tube Diameter (mm)
6
L1 (mm)
23
L2 (mm) - mm
16
L3 (mm) - mm
27
CH1 (mm)
12
PN (bar)
800
MS-MS-US-161616
Metric Male Thread
M16-1.5
Metric Female Thread
M16-1.5
Suits Tube Diameter (mm)
8
L1 (mm)
24
L2 (mm) - mm
17
L3 (mm) - mm
28
CH1 (mm)
14
PN (bar)
800
MS-MS-US-181818
Metric Male Thread
M18-1.5
Metric Female Thread
M18-1.5
Suits Tube Diameter (mm)
10
L1 (mm)
25
L2 (mm) - mm
18
L3 (mm) - mm
30
CH1 (mm)
17
PN (bar)
800
MS-MS-US-202020
Metric Male Thread
M20-1.5
Metric Female Thread
M20-1.5
Suits Tube Diameter (mm)
12
L1 (mm)
29
L2 (mm) - mm
22
L3 (mm) - mm
31
CH1 (mm)
17
PN (bar)
630
MS-MS-US-222222
Metric Male Thread
M22-1.5
Metric Female Thread
M22-1.5
Suits Tube Diameter (mm)
14
L1 (mm)
30
L2 (mm) - mm
22
L3 (mm) - mm
35
CH1 (mm)
19
PN (bar)
630
MS-MS-US-242424
Metric Male Thread
M24-1.5
Metric Female Thread
M24-1.5
Suits Tube Diameter (mm)
16
L1 (mm)
33
L2 (mm) - mm
25
L3 (mm) - mm
37
CH1 (mm)
24
PN (bar)
630
MS-MS-US-303030
Metric Male Thread
M30-2
Metric Female Thread
M30-2
Suits Tube Diameter (mm)
20
L1 (mm)
37
L2 (mm) - mm
27
L3 (mm) - mm
45
CH1 (mm)
27
PN (bar)
420
MS-MS-US-363636
Metric Male Thread
M36-2
Metric Female Thread
M36-2
Suits Tube Diameter (mm)
25
L1 (mm)
42
L2 (mm) - mm
30
L3 (mm) - mm
50
CH1 (mm)
36
PN (bar)
420
MS-MS-US-424242
Metric Male Thread
M42-2
Metric Female Thread
M42-2
Suits Tube Diameter (mm)
30
L1 (mm)
49
L2 (mm) - mm
36
L3 (mm) - mm
56
CH1 (mm)
41
PN (bar)
420
MS-MS-US-525252
Metric Male Thread
M52-2
Metric Female Thread
M52-2
Suits Tube Diameter (mm)
38
L1 (mm)
57
L2 (mm) - mm
41
L3 (mm) - mm
63
CH1 (mm)
50
PN (bar)
420
INTRODUCING NEW ENDURO SPIRAL HOSE
ENDURO spiral is an extremely flexible slim profile hose featuring our very high wear and abrasion resistant SuperTuff (ST) MSHA cover for increased protection against abrasion in severe operating environments.