Get the job done with the right equipment
Hydraulink provides a ‘matched system’ of hose and fittings, ensuring our products are engineered to work together to exceed international SAE and ISO standards and deliver outstanding application and safety performance. Our matched system provides optimal function, minimises risk and guarantees hose performance and safety for ultimate peace of mind when using Hydraulink as your supplier.
Hydraulink’s quality product is available in a complete range of braided and multispiral hydraulic hoses - for low to ultra high pressure applications. Our hose range includes speciality products for high abrasion, tight bend radius and high temperature applications.
The other integral part of the guaranteed matched system is Hydraulink’s fittings range which are manufactured to SAE and ISO standards - using premium steel stock sourced from European steel mills. Our comprehensive range of fittings is industry leading with over 5,000 product lines.
To compliment our product range, we also offer an assortment of accessories including Adaptors, Quick Release Couplers, Tube Clamps, Ball Valves, Assembly Equipment and Premium Hydraulic Oils.
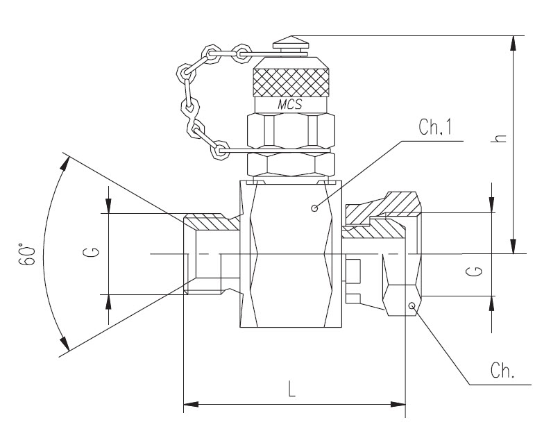
TEST POINTS
BSPP IN-LINE TEST POINT
TEST POINTS
BSPP IN-LINE TEST POINT

Product Data
B-C-TP-0404M16
BSPP Thread
1/4-19
Test point thread
M16-2
L - mm
53
B - mm
55
Hex A/F (CH1)
32
Hex A/F (CH2)
19
Working Pressure - bar
400
B-C-TP-0606M16
BSPP Thread
3/8-19
Test point thread
M16-2
L - mm
60
B - mm
55
Hex A/F (CH1)
32
Hex A/F (CH2)
22
Working Pressure - bar
400
B-C-TP-0808M16
BSPP Thread
1/2-14
Test point thread
M16-2
L - mm
60
B - mm
55
Hex A/F (CH1)
32
Hex A/F (CH2)
27
Working Pressure - bar
400
B-C-TP-1212M16
BSPP Thread
3/4-14
Test point thread
M16-2
L - mm
68
B - mm
55
Hex A/F (CH1)
32
Hex A/F (CH2)
32
Working Pressure - bar
400
B-C-TP-1616M16
BSPP Thread
1-11
Test point thread
M16-2
L - mm
74
B - mm
55
Hex A/F (CH1)
41
Hex A/F (CH2)
41
Working Pressure - bar
345
INTRODUCING NEW ENDURO SPIRAL HOSE
ENDURO spiral is an extremely flexible slim profile hose featuring our very high wear and abrasion resistant SuperTuff (ST) MSHA cover for increased protection against abrasion in severe operating environments.